WireLinX™ IoT PLC
Contributed by Buraphatronics, Infineon and BDH Group
Author
WireLinx Programmable Logic Control (PLC) User Manual

Table of Contents
WireLinx Programmable Logic Control (PLC) User Manual
Table of Contents
1. Introduction
Overview of WireLinx PLC
Key Features
Applications
2. Hardware Specifications
3. Getting Started
Installing Required Software
Configuring the Web Interfac
4. Programming WireLinx PLC
Supported Programming Languages
Internal Memory Structure
5. Communication Protocols
Wi-Fi and Web-based Configuration
RS-232 and RS-485 Communication
Modbus RTU & Modbus TCP
6. Working with I/O
7. Safety and Maintenance
Training Topics for Basic PLC
1. Introduction
Overview of WireLinx PLC
WireLinx PLC is a programmable logic controller designed for industrial automation and IoT applications. It features a modular and flexible architecture, allowing for seamless integration with existing systems.

Key Features
Core Processor: ESP32-S3 with built-in Wi-Fi
Digital Inputs: Source Type with Isolation
Digital Outputs: Sink Type with Isolation
Communication Interfaces: RS232 , RS485
Real-Time Clock (RTC) Support
Web-Based Configuration Interface
Supports Ladder Logic Programming
Applications
WireLinx PLC can be used in:
Industrial automation
Smart building systems
SCADA & remote monitoring
Energy management
IoT & smart agriculture
2. Hardware Specifications

Processor
ESP32-S3
1
Power Suppply
DC Voltage 24VDC.
2
Analog Inputs
Voltage Input 0-10V. Resolution 16 Bits
4 Channels
3
Digital Inputs
24VDC Source Type
8 Points
4
Digital Outputs
24VDC Sink Type 100 mA/ch
8 Points
5
RS-485
1 Channel Support ASCII , FXCPU , ModbusSlave
1 Channel
6
RS-232
1 Channel Support ASCII , FXCPU , ModbusSlave
1 Channel
7
USB
USB-Serial Programmable Port
1 Channel
8
Jumper
Switch Select Power Source Terminal / USB
9
LoRa extenal antenna
Support antenna 2.4 GHZ
10
Wi-Fi extenal antenna
Support antenna 433 Mhz
3. Getting Started
Installing Required Software
Download and install GX-WORK2
Operating Buttons and Status Indicators

No
Type
Symbol
Status
Descriptions
1
LED
Power
ON = Power Ready
Indicator power plc ready for use.
2
LED
RUN
ON = PLC RUNOFF= PLC STOP
Indicator plc operation status
3
LED
ERR
ON = PLC ERROROFF= NORMAL
Indicator PLC operation abnornal
4
LED
WAP
ON = Wifi AccessPoint EnableOFF = Wifi AccessPoint DisableBLINK = Communication Working
Indicator wifi accesspoint status
5
LED
STA
ON = Wifi Station ConnectedOFF = Wifi Station DisconnectBLINK = Communication Working
Indicator wifi accesspoint status
6
BUTTON
RESET
Press = RESET PLC
Restart PLC
7
BUTTON
RUN/STOP
Press = RUN OR STOP PLC
Run/Stop PLC
About Button Operation
Reset PLC : Press for restart all process

Run/Stop PLC : Press hold 2 sec for switch to toggle before mode.

Reset parameter config: Reset Default Parameter config.

4. Programming WireLinx PLC
Supported Programming Languages
Ladder Logic
Internal Memory Structure
Memory Type
Usage
Address Range
Capacity
X (Input Relays)
Represents physical input points
X0 - X377
256 points
Y (Output Relays)
Represents physical output points
Y0 - Y377
256 points
M (Internal Relays)
General-purpose internal logic storage
M0 - M3071
3072 points
S (Step Relays)
Used for step sequence control
S0 - S999
1000 points
D (Data Registers)
Stores numerical values for processing
D0 - D7999
8000 words (16-bit each)
D (Data System)
Stores numerical values for processing
D8000 - D8250
251 words (16-bit each)
T (Timers)
Used for timing operations
T0 - T255
256 timers
C (Counters)
Used for counting operations
C0 - C199
200 counters
See detail About D8000 - D8250
5. Communication Protocols
Wi-Fi and Web-based Configuration
Wireless access to PLC settings.

Remote programming and monitoring.
RS-232 and RS-485 Communication
RS-232: Used for general-purpose serial communication.
RS-485: Ideal for industrial communication and Modbus RTU.
Modbus RTU & Modbus TCP
Table Modbus Address Mapping common with ModbusTCP Server and ModbusRTU Slave Mode.
Modbus
PLC
Type
Access
Function Code
Description
00001 - 01000
S0 - S999
Coil (Discrete Output)
Read/Write
01 (Read) / 05, 15 (Write)
Stores ON/OFF values for outputs
10001 - 11536
M1 - M1535
Discrete Input
Read-only
02 (Read)
Stores ON/OFF values for inputs
30001 - 33000
D0 - 02999
Input Register
Read-only
04 (Read)
Stores analog input values
40001 - 43000
D3000 - 05999
Holding Register
Read/Write
03 (Read) / 06, 16 (Write)
Stores analog output and parameters
6. Working with I/O
7. Safety and Maintenance
Training Topics for Basic PLC
prepare for trainee
Notebook for training.
install gx-work2.
install ch340 driver. Download
drawing training kit. Download

Why need choose PLC.
1.Ladder Logic Basics.
1

Contact Normally Open
2

Contact Normally Close
3

Coil
4

Timer
5

Counter
6

Instruction Set
How to understand ladder logic.


2. Programming with GX-WORK 2.
2.1 new project and test connection
2.2 download ladder logic to plc.
2.3 upload ladder logic from plc.
2.4 monitoring and modify value.
3. PLC Basic Programming Exercises.
3.1 Create simple ladder logic program to turn on an output when a switch is pressed
Objective : Basic Ladder Logic and applie.
- Switch Selector X3 make Y0 ON.
- Press Button X1 make Y2 ON.
- Press Button X2 make Y3 ON.
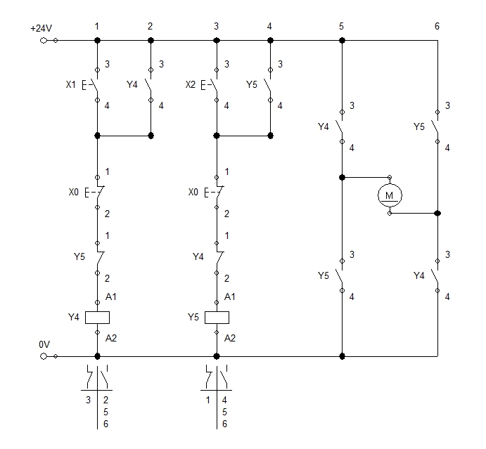
3.2 Write program to self-holding circuit a relay using a start and stop button.
Objective : Convert Electrical circuit to ladder logic.
- Self hold circuit.
- interlock coil between Y4 and Y5 for protect load short circuit.
- Press button X1 make Y4 ON.
- Press button X2 make Y5 ON.
- Press button X0 for stop process
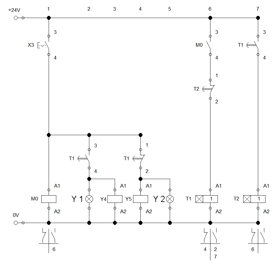
3.3 Write timer to turn off relay automatically after a preset time.
Objective : Convert Electrical circuit to ladder logic.
- Switch X3 for start process.
- When process start Y3 and Y4 on-off swap indcator inverval 1 sec (Timer1-Timer2)
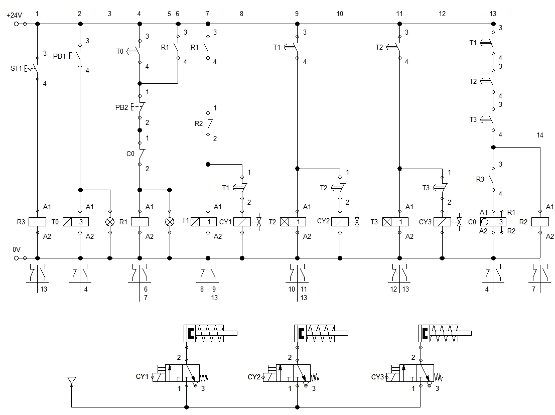
3.4 Write program to counter the number of cycle.
Objective : use timer and counter on ladder logic.
- Press button X1 for reset counter C0.
- When C0 on stop process.
3.5 Convert Electrical function process to ladder logic process.
Objective : Convert Electrical circuit to ladder logic.
- operation 2 mode
- 1.semi auto
- 2.auto
4. Communication Protocols - Configuring RS-232 and RS-485 - Setting up Modbus communication
Web-Based Configuration
Connecting via Wi-Fi
Remote setup and diagnostics
Troubleshooting & Maintenance
Common PLC issues and solutions
Firmware updates and system diagnostics
Last updated
Was this helpful?





